产品描述
NHR-MT20系列二氧化碳变送器采用新型红外检定技术进行CO2浓度测量,反应迅速灵敏,准确度高,漂 移小,寿命长。广泛 适用于农业大棚,花卉培养、食用菌种植等需要CO2监测的场合。该产品采用宽压10~30V直流供电,模 拟量信号输出或RS485通讯输出可选。外壳防护等级高,能适应现场各种恶劣条件。
产品特点
虹润二氧化碳传感器 NHR-MT20系列二氧化碳变送器
技术参数
| 测量范围 | 0~5000ppm、0~ 10000ppm |
| 精度 | 土(100ppm+6%FS) (外置) ,士(50ppm+6%FS) |
| 输出信号 | 4~20mA、0~20mA、 0~5V、1~5V、 0~10V |
| 输出负载 |
4~20mA、0~20mA 负载电阻RL≤5000; 1~5V、0~5V负载电阻RL≥250KQ; 0~ 10V负载电阻RL≥500KQ |
| RS485通讯 | MODBUS- RTU协议,RS485传输距离≤1000米;信号传输率≤19.2kbps |
| 供电电源 | DC10~30V |
| 功耗 | ≤1.2W |
| 工作温度 | 0~50°C(无凝露、无结冰) |
| 相对湿度 | 20%~90%RH |
| 保存温度 | 0~55°C(无凝露、无结冰) |
| 稳定性 | <2%FS |
| 非线性性 | <1%FS |
| 响应时间 | T90<30s (外置) T90<120s (内置) |
| 预热时间 | 3min(可用)、10min(*大精度) |
| 温度影响 | 自带温度补偿 |
| 安装方式 | 壁挂式 |
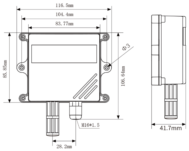
| 外形尺寸 | 宽*高*深: 116.5X 85.85X41.7mm |

尺寸图

走进奥信
公司简介 联系我们解决方案
技术文章 行业应用我们的理念
用科技创新的理念撰写辉煌篇章,向世界展现一幅优品的设计蓝图。
专注的态度成就专业的品质,西安奥信与您携手追求时尚品。
购买的愉悦不仅仅是获得,更是其中的服务,以温馨的服务带来全新的体验。